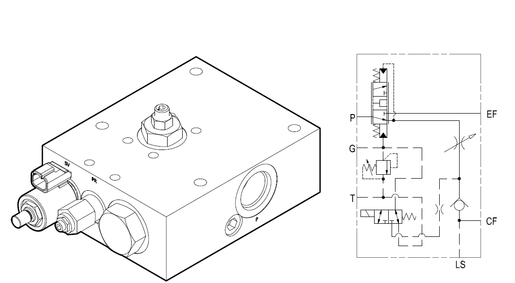
특정 기능에 우선 순위를 두어 세팅된 유량을 안정적으로 공급할 수 있도록 합니다. 1개의 펌프로 여러 기능을 동시에 사용하는 시스템 또는 2개의 펌프 유량을 합류시키는 시스템에 유용한 밸브입니다.
가장 대표적인 사용예는 제초기(예초기)입니다. 디스크 또는 드럼을 유압 모터가 고속으로 회전시키면서 작업물 (나무 및 풀)을 절단하는 굴착기 (또는 트랙터) 어태치먼트입니다. 칼날이 항상 동일한 속도로 회전해야 작업성이 최대화됩니다. 하지만 1개 또는 2개의 펌프로 여러가지 기능을 사용해야 하는 굴착기의 경우 작업 중 선회, 주행 또는 붐을 움직이는 경우 칼날 회전 속도가 줄어들 수 밖에 없습니다. 유선유량 조절밸브를 활용하면 선회 또는 주행 중에도 칼날 회전 속도를 일정하게 유지할 수 있습니다.
가변식 유량 조정밸브를 내장합니다. 솔레노이드 밸브를 내장시켜 우선유량 기능이 필요할 때만 사용할 수 있고, 사용 압력을 세팅할 수 있는 릴리프 밸브를 내장할 수 있습니다.

다양한 유압밸브를 http://www.lynxattachments.kr 에서 확인하실 수 있습니다. 제품 문의는 062-412-3351 로 연락 바랍니다.
'제품 소개 > 특수밸브' 카테고리의 다른 글
| MDD 더블 디버터 밸브 ( 6방향/2위치) (0) | 2023.02.18 |
|---|---|
| 디버터 밸브 3방향/2위치 (0) | 2023.02.04 |
| 전자 조향 밸브 EHP-06W (0) | 2022.07.06 |
| MRV 로테이션 밸브 : MRV06P-FP-D2 (0) | 2021.10.09 |
| 1/2 인치 스톱 밸브 (0) | 2021.08.05 |